产品名称: 低压零序电流互感器
产品质量:
详细介绍
详细介绍
        相地短路电流互感器(低压零序电流互感器)是我公司为方便低压柜抽屉内或电缆室安装开发设计的一款小尺寸电流互感器。互感器采用开口式设计、体积小、安装方便,尤其利于现场的改造安装。主要型号有KWXD45、KWXD4595等。

马达保护用低压零序电流互感器请与我公司详细咨询。

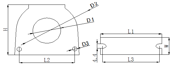
相地短路电流互感器尺寸表

型号

D1

D2

L1

L2

L3

W

H

负载额定电流A

变比(二次额定1A)

KWXD45

 

45

45

127

64

60

116

0-400

50/1-400/1

KWXD4595

48

22.5

95

178

120

55

135

0-400

50/1-400/1

KWXD60225

180

30

225

333

240

60

147

400-1600

50/1-400/1

马保用低压零序电流互感器尺寸

型号

孔径D1

D2

D3

L1

L2

L3

H

W

额定电流A

KWXD26

26

45.5

2.8

51

41.2

44.2

45.5

18

0-40

KWXD45

45

73

--

85

--

64.3

73.5

22

40-160

KWXD60

60

95

--

95

--

72.4

95

23

160-250

KWXD80

80

120

--

120

--

103

126

25

250-400

KWXD100

100

140

--

140

--

122

145.5

25

400-630

KWXD150

150

196

--

196

--

174.5

203

25

630-1250